I'm planning to build a two-tube reflexed RF regen receiver soon. I'm examining methods of controlling the regeneration — it needs to be possible to both initiate and halt oscillation in all bands (I plan to cover 500 kHz to 30 MHz, if I can manage it).
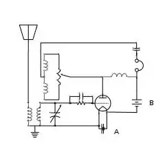
what I keep reading as the "best" method of controlling regeneration is sometimes called a variometer or variocoupler — the tickler coil is mounted on a pivot, so it can rotate from aligned with the tuning coil (or in this case, the secondary of the RF coupler between the RF amp and detector), to opposite, so the field from the coil goes from maximum positive feedback to maximum negative feedback.
I've been mulling over for a couple weeks how to do this without the physical moving coil (which seems prone to issues in a portable set). It came to me that I can use a double length tickler with a center tap, connect the arm of a potentiometer to the detector plate, and connect each end of the potentiometer track to one end of the tickler, with the return through the center tap.
This ought to allow me to vary the feedback continuously (if not linearly) from maximum negative to maximum positive without any mechanical parts. What I'm uncertain of is whether the resistance that's always in the circuit (except at maximum positive or negative setting) will have a negative effect on sensitivity or tuning width.
I can't find any reference to this method of controlling regeneration -- have I invented new, 85 year old technology, or was there a good reason this wasn't done?
