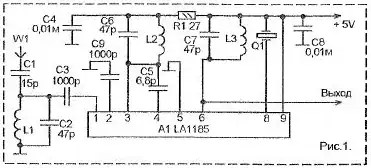
I've built FM CCIR/OIRT downconverter based on Sanyo LA1185 IC. I've used most famous schematics for it with slight modification (added DC blocking capacitor 1 nF rated on the output)
Coils L1 and L2 are made of 0.8 mm thick copper wire and have 4 turns with internal diameter of 4.5 mm. Coil L3 have almost the same params; the only exception is it have 6 turns. I've made and ordered PCB and soldered all components. However I observe some weird glitches.
If I use 22 MHz quartz oscillator then I'm able to receive 88-96 MHz on my old FM OIRT radio: [88; 96] MHz - 22 MHz = [66; 74] MHz. All stations within that range can be heared just fine. The same is true for 29 MHz quartz: [95; 103] MHz - 29 MHz = [66; 74] MHz.
The problem arises when I try to use 35 MHz quartz oscillator. Reception is fine within [101; 105] MHz range - I can hear stations clearly and signal indicator on receiver behaves normally. However when I try to receive higher frequencies I observe weird glitches. Within the range of approx [105; 106] MHz receiver plays just nothing - I can't even hear usual static noise. It seems like it plays "loud silence". Signal indicator shows very strong signal during this but speaker just doesn't play anything! If I go even higher after ~106 MHz silence goes away, I can hear static noise and barely hear stations which works in [106; 108] MHz range. However reception is very weak. Moreover, I can hear ghost stations within the range [101; 104] but in mirrored order (e. g., for 106 MHz I receive station at 104.5 MHz, for 107.2 I receive 103.2 MHz and so on).
I'll try to summarize it all below:
[88 --- 96 MHz] (22 MHz quartz, brilliant quality)
[95 --- 103 MHz] (29 MHz quartz, brilliant quality)
[101 --- 105 MHz] (35 MHz quartz, brilliant quality)
[105 --- 106 MHz] (35 MHz quartz, NOTHING is played, "loud silence", unusually very strong signal)
[106 --- 108 MHz] (35 MHz quartz, barely audible 106-108 MHz stations, 101-105 stations in mirror order)
I can't figure out what the heck is taking place here. I suspect two things: quartz and LA1185. But if my quartz is defective I expect [101; 109] MHz range to not work at all but I observe incosistent behavior. I tried to find some info about LA1185 quirks but with no success.
Can you advice me where I should start? May be I made some obvious flaw in design... I've uploaded my whole project to the GitHub if someone is interested in actual schematics and layout.
EDIT 1: schematics available as separate PDF here. Don't be surprised with it - I made version for 3 selectable subranges. Also it have negative power regulator because the receiver itself have negative regulated PSU.
