I previously posted this in electronics StackExchange here, but I believe Ham is more proper place for it as it closely relates to antennas.
I'm curious if it is possible to build a spark-gap Tesla coil without using capacitors on the primary side at all? Basically, treating primary and secondary as TX/RX antennas and cutting them to proper length so that the primary is producing a certain frequency and secondary is tuned to it by using a wire length that is integer multiple of the length used in primary. Then using a HV source and spark gap to excite the primary at its natural frequency (half or quarter-wave, whatever it happens to be). Do you think it is possible to create SGTC this way so that it is into tens of MHz range? Do you see any pitfalls here?
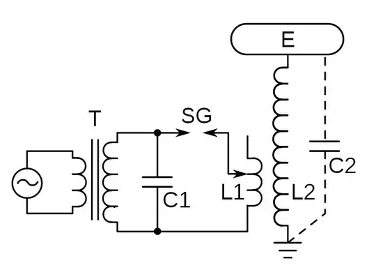
Here's a crude drawing of this.
Let's assume L1 and L2 are quarter-wave helical antennas, L2 being a smaller diameter one surrounded by L1. In order to tune the L2 to the frequency that L1 produces, you would normally need them to be the same length, but in this case we can't create a voltage step up configuration (we would need more turns in the secondary). But since L2 is also resonant at odd multiples of the quarter wavelength, like 3/4, 5/4, 7/4 etc, by having the wire length that is N times larger than that of a primary (where N is an odd number), the secondary should also be resonant on the same frequency while still providing means for stepping the voltage up.
Just to give you an idea, here's a video of my B&W 3034 antenna coil in spark-gap Tesla coil configuration (quarter-wave) using resonant caps. What I'm trying to do is remove these caps and tune this as if the two coils were antennas. The length of this B&W coil is around 19 meters so if I manage to tune it to 5/4 wavelength, the primary will have to be 3.8 meters long which seems to be doable.



