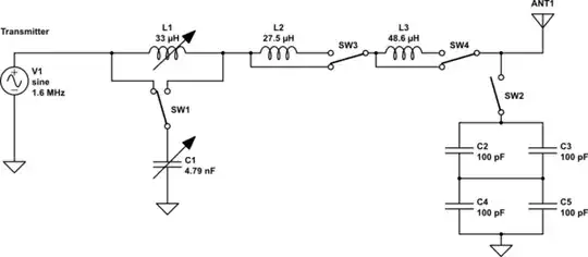
So I've been looking at the internals of the Icom AT-141 end-fed antenna tuner which I have, and I've noticed that it has some sort of pre-tuning LC stage before its traditional L-tuner network.

simulate this circuit – Schematic created using CircuitLab
The arrows on the left side of the schematic are supposed to represent tunable components (in reality, series of relay-switched fixed components).
The C1 has range from 9 pF to 4.79 nF, and I estimate that the L1 has range from 56 nH up to 33 μH.
On the right side, I've estimated the coil inductivities, since they're not listed in the documentation, and the capacitor capacitance is correct. For extra context, the tuner is designed to tune a wire at least 7 meters long across range starting from 1.6 MHz and going up to 30 MHz.
So my questions are:
Is there a commonly used name for this tuner topology, and
In what way would this topology be more advantageous compared to just a classic L-match tuner with more component values in its L and C stages?