Ideally, it doesn't matter where on the constant VSWR circle you are. The transmitter is an ideal voltage source with 0Ω impedance, essentially a short. There's no way to couple power into a short, so whatever power is reflected from the antenna gets reflected back when it reaches the transmitter, so all you need to worry about is the impedance presented to the transmitter, and what effect that will have on the current required.
But transmitters are rarely just a voltage source. Usually they have filters at the output to strip off the harmonic distortion created by the amplifier. Even a linear class AB amplifier will generate a little harmonic distortion, enough to require a filter to avoid spurious emissions.
The filters are designed with a 50Ω load assumed. Since they are passive filters, loading them differently will change the frequency response.
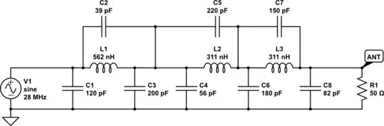
Let's look at the schematics for the Alex-TX board of HPSDR for an example. Here's the 20/30m transmit filter. R1 isn't part of the filter, but the impedance seen by the transmitter, which we will vary.

simulate this circuit – Schematic created using CircuitLab
Here's the power dissipated in R1 (that is, RF power radiated) as a function of frequency. Shown is what happens at 5, 50, and 500 ohms, normalized to the power that would be expected at a given voltage into a 50Ω load:

The orange line is a 50Ω load. You can see the filter makes a good low-pass filter, with a steep cutoff above the 20 meter band, effectively suppressing harmonic distortion.
However, look at the peaks and valleys introduced by the mismatch. One of those peaks in the 5Ω case is at 14 MHz, so on 20 meters it looks like you get an extra 10dB of transmit power with this particular filter and load.
That might seem like a good thing, but that power isn't free: it comes from your transmitter. That means the transmitter will be asked to deliver a lot more current, and probably overheat if it lacks appropriate protection.
The reactive 10:1 SWR cases fall around (9±49j)Ω. Unfortunately, CircuitLab doesn't provide a way to model a complex impedance, but it's basically the same, except the peaks and valleys fall in different places.
There's another issue as well: since the filter is made of resonant, reactive components, there is a potential for very high currents or voltages to develop in there if you start messing with the load impedance. So although in these 10:1 conditions the power in the transmitter and the load are identical to the 1:1 case, that doesn't mean the current and voltages within the filter are the same. High currents will overheat or saturate inductors, and high voltages will arc.
So to answer your question, there usually is a transmission line length which will spin the impedance around to one that will allow the transmitter to deliver full power without overheating. But in practice we don't know the details of the transmitter's design, so there's not really a way to know what that length is.